If you’re a Ford owner looking for free printable wiring diagrams, you’ve come to the right place. Understanding your vehicle’s electrical system can be daunting, but having access to these diagrams can make troubleshooting and repairs a breeze.
Whether you’re a DIY enthusiast or a professional mechanic, having access to accurate wiring diagrams is essential. Fortunately, there are many online resources that offer free printable Ford wiring diagrams for various models and years.
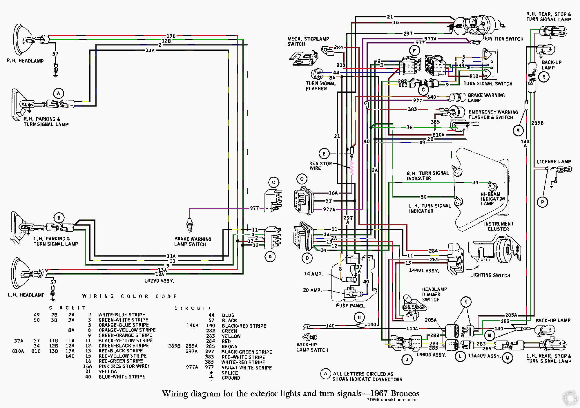
Printable Free Ford Wiring Diagrams
Printable Free Ford Wiring Diagrams
These diagrams typically include detailed illustrations of the wiring harness, connectors, and components, making it easy to pinpoint issues and make necessary repairs. They are invaluable tools for diagnosing electrical problems and ensuring proper wiring connections.
By having these diagrams at your fingertips, you can save time and money by avoiding unnecessary trips to the mechanic and confidently tackling electrical issues on your own. Plus, understanding your vehicle’s wiring system can give you a greater sense of control and ownership over your Ford.
Whether you’re dealing with a faulty ignition system, malfunctioning lights, or a dead battery, having access to printable Ford wiring diagrams can help you get your vehicle back on the road quickly and efficiently. So, roll up your sleeves, grab your multimeter, and let’s get started!
Next time you’re faced with an electrical gremlin in your Ford, remember that there are free resources available to help you troubleshoot and fix the issue. With printable wiring diagrams at your disposal, you can tackle any electrical problem with confidence and ease.
66 Ford F 250 Truck Wiring Diagram
1973 1979 Ford Truck Wiring Diagrams U0026 Schematics FORDification
Ford Truck Technical Drawings And Schematics Section H Wiring Diagrams
Wiring Diagram For Ford Anglia 1953 57
Ford Wiring Schematics Car Anatomy





